OPOS6UL SP Interfaces description
Introduction
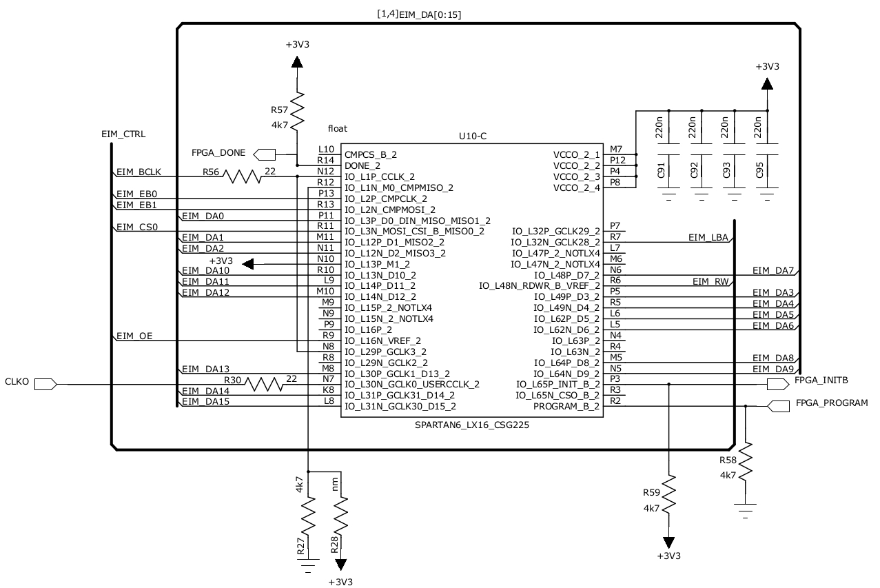
This article describe the bus interface communication between the i.MX6UL(L) and the spartan6. In i.MX6UL(L) the bus used to make communication with the FPGA is named EIM for External Interface Module. All description of this bus can be found under the i.MX6UL(L) reference manual in chapter 21 (page 821).
FPGA used on board is an XC6SLX9-2CSG225.
Simplified view
Normal communication between i.MX6UL(L) processor and Spartan6 fpga is done with black following signals :
- EIM_BCLK : Clock
- EIM_DA[15:0]: 16bits data and address bus
- EIM_LBA (ADV): Signal used for data/address muxing
- EIM_RW: Read/Write control signal
- EIM_CS0: Chip select
Gray following signals can be used by EIM (External Interface Memory), but not used in default configuration :
- EIM_EB0: Select byte 0 on bus
- EIM_EB1: Select byte 1 on bus
- OE : Output enable
- EIM_CLK0: second clock (EIM_ACLK)
Blue following signals are used for FPGA configuration from imx. Some EIM (black) signals are also used for it.
- FPGA_INITB: Initialize FPGA
- FPGA_PROGRAM : Program (configure) FPGA
- FPGA_DONE: FPGA configuration is done.
Tutorials
Default configuration on CSx
Clocks
The clock used to clock the FPGA is EIM_BCLK (IO_L1P_CCLK_2(N12) and IO_L29P_GCLK3_2(N8)) and is configured to 99 MHz.
Chip Select
The EIM memory space is mapped into 128 MB total memory space in the processor memory. This memory space begin at address 0x50000000.
| Start address | End address | Size | Name |
|---|---|---|---|
| 0x5000_0000 | 0x57FF_FFFF | 128 MB | EIM (NOR/SRAM) |
The total 128 MB of memory can be divided among the EIM four chip selects. See reference manual of i.MX6ULL for more information.
Timings
Read
- U-Boot: To read one 16 bits value in 0 (0x50000000 in i.MX) do :
BIOS> md.w 50000000 1
- Linux: To read one 16 bits value in 0 (0x50000000 in i.MX) do :
# devmem 0x50000000 16
- Bus timings are following :
Write
- U-Boot: To write one 16 bits value in 0 (0x50000000 in i.MX) do :
BIOS> mw.w 50000000 CAFE
- Linux: To write one 16 bits value in 0 (0x50000000 in i.MX) do :
# devmem 0x50000000 16 0xCAFE
- Bus timings are following :
code & mapping
Pinout
Schematics interfaces is given here :
UCF example for interface generated by POD is given here :
NET "rstgen_syscon00_ext_clk" LOC="N8" | IOSTANDARD=LVCMOS33; # EIM_BCLK NET "rstgen_syscon00_ext_clk" TNM_NET = "rstgen_syscon00_ext_clk"; TIMESPEC "TS_rstgen_syscon00_ext_clk" = PERIOD "rstgen_syscon00_ext_clk" 10.101 ns HIGH 50 %; NET "imx6ul_wb16_wrapper00_imx_da<0>" LOC="P11" | IOSTANDARD=LVCMOS33; # EIM_DA0 NET "imx6ul_wb16_wrapper00_imx_cs_n" LOC="R11" | IOSTANDARD=LVCMOS33; # EIM_CS0 NET "imx6ul_wb16_wrapper00_imx_da<1>" LOC="M11" | IOSTANDARD=LVCMOS33; # EIM_DA1 NET "imx6ul_wb16_wrapper00_imx_da<2>" LOC="N11" | IOSTANDARD=LVCMOS33; # EIM_DA2 NET "imx6ul_wb16_wrapper00_imx_da<10>" LOC="R10" | IOSTANDARD=LVCMOS33; # EIM_DA10 NET "imx6ul_wb16_wrapper00_imx_da<11>" LOC="L9" | IOSTANDARD=LVCMOS33; # EIM_DA11 NET "imx6ul_wb16_wrapper00_imx_da<12>" LOC="M10" | IOSTANDARD=LVCMOS33; # EIM_DA12 NET "imx6ul_wb16_wrapper00_imx_da<13>" LOC="M8" | IOSTANDARD=LVCMOS33; # EIM_DA13 NET "imx6ul_wb16_wrapper00_imx_da<14>" LOC="K8" | IOSTANDARD=LVCMOS33; # EIM_DA14 NET "imx6ul_wb16_wrapper00_imx_da<15>" LOC="L8" | IOSTANDARD=LVCMOS33; # EIM_DA15 NET "imx6ul_wb16_wrapper00_imx_adv" LOC="R7" | IOSTANDARD=LVCMOS33; # EIM_LBA NET "imx6ul_wb16_wrapper00_imx_da<7>" LOC="N6" | IOSTANDARD=LVCMOS33; # EIM_DA7 NET "imx6ul_wb16_wrapper00_imx_rw" LOC="R6" | IOSTANDARD=LVCMOS33; # EIM_RW NET "imx6ul_wb16_wrapper00_imx_da<3>" LOC="P5" | IOSTANDARD=LVCMOS33; # EIM_DA3 NET "imx6ul_wb16_wrapper00_imx_da<4>" LOC="R5" | IOSTANDARD=LVCMOS33; # EIM_DA4 NET "imx6ul_wb16_wrapper00_imx_da<5>" LOC="L6" | IOSTANDARD=LVCMOS33; # EIM_DA5 NET "imx6ul_wb16_wrapper00_imx_da<6>" LOC="L5" | IOSTANDARD=LVCMOS33; # EIM_DA6 NET "imx6ul_wb16_wrapper00_imx_da<8>" LOC="M5" | IOSTANDARD=LVCMOS33; # EIM_DA8 NET "imx6ul_wb16_wrapper00_imx_da<9>" LOC="N5" | IOSTANDARD=LVCMOS33; # EIM_DA9 NET "irq_mngr00_gls_irq" LOC="P3" | IOSTANDARD=LVCMOS33; # FPGA_INITB
Simulation model
Some simulation model has been written to test eim in VHDL and in python with cocotb.
VHDL
imx_read and imx_write simulation fonctions are included in POD (Peripheral On Demand) library. Available in platform/opos6ulsp directory.
Cocotb
It's possible to simulate eim access with cocotb module named cocotbext-imxeim.
HDL bus wrapper
Bus wrapper has been written in VHDL and chisel to convert EIM protocol to Wishbone bus protocol.
VHDL
A 16 bits multiplexed EIM to 16bits wishbone master bus is available in POD library. The VHDL sources are available following this link.
Chisel
A chisel package is available in module chisArmadeus to drive Wishbone master bus with EIM bus here.
FPGA Interrupt
To generate an IRQ from the FPGA to the i.MX, the pin FPGA_INITB is used by default. It correspond to GPIO4_IO16 on i.MX.
FPGA J2 connector mapping
Mapping of FPGA pin is given in following csv file.
FPGA configuration protocol
<TODO>
Links
- i.MX6UL(L) reference manual (PDF chapter 21 page 821)
- i.MX6UL(L) Datasheet (PDF)
- Spartan6 configuration (PDF)
- Peripheral On Demand configuration files

